legines.com
Reducer keluli tahan karat Hex Bushing 2530

Reducer keluli tahan karat Hex Bushing 2530

Reducer keluli tahan karat Hex Bushing sesuai dengan benang Taper Pipa Kebangsaan Lelaki (NPT) pada benang NPT di luar dan wanita di bahagian dalam untuk menghubungkan dua paip saiz yang berbeza. Ia mempunyai benang NPT untuk membuat meterai yang lebih ketat daripada benang lurus dan kepala heksagon untuk peningkatan leverage dan digunakan dengan sepana semasa pemasangan dan pembongkaran. Bushing ini diperbuat daripada keluli dan mempunyai kemasan galvanized untuk memberikan rintangan karat yang lebih besar daripada besi dan boleh digunakan untuk aplikasi air, stim, dan udara. Kelas 150 Hex Bushing memenuhi spesifikasi ASTM A53 dan ASME B 1.20.1 untuk jaminan kualiti. Kelas adalah standard yang berkaitan dengan toleransi, pembinaan, dimensi, dan ketebalan dinding, tetapi ia bukan pengukuran langsung tekanan kerja maksimum.

Permohonan biasa:
Gris, penyejukan, instrumentasi dan sistem hidraulik.Fuel

Kelebihan:
Thread Pipa Dryseal (BSPT (R)/BSP (G). Pelbagai saiz dan konfigurasi

Hubungi kami

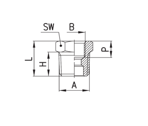
Spesifikasi

Bahagian#

Saiz thread a × b

S.W.

L.

H

2350-ba

R1/4 × G1/8 14 16.0 11

2350-CA

R3/8 × G1/8 17 16.5 11.5

2350-cb

R3/8 × G1/4 17 19.5 11.5

2350-dB

R1/2 × G1/4 22 19.5 14.0

2350-DC

R1/2 × G3/8 22 19.5 15.0

2350-EC

R3/4 × G3/8 22 23.0 16.5

2350-ed

R3/4 × G1/2 27 23.5 16.5

2350-Hd

R1 "× G1/2 34 27.0 19.0

Ia mempunyai kemasan galvanized untuk memberikan rintangan karat yang lebih besar daripada besi dan boleh digunakan untuk aplikasi air, stim, dan udara. Bushing ini diperbuat daripada keluli dan mempunyai kepala heksagon untuk peningkatan leverage dan digunakan dengan sepana semasa pemasangan dan pembongkaran. Ia juga mempunyai benang NPT untuk membuat meterai yang lebih ketat daripada benang lurus dan boleh digunakan untuk menyambungkan dua paip saiz yang berbeza.

Hubungi kami

Mengenai Legin

Legines Industrial Machinery Inc.

Sebagai pengeluar kelengkapan tembaga China profesional dan menolak pembekal kelengkapan. Ia mengamalkan pemesinan CNC penuh dan memiliki kawasan bengkel 3600 meter persegi. 45 Alat Mesin Automatik, 35 Alat Mesin CNC Separa Automatik, serta Pengedar, yang telah menjadi pembekal penting untuk pengeluaran bahagian tembaga standard Amerika di China ...
  • kehormatan
  • kehormatan

Arahan & Berita