legines.com
Kelengkapan siku keluli tahan karat BSP

Kelengkapan siku keluli tahan karat BSP

BSP kelengkapan siku keluli tahan karat 2020

Permohonan biasa:
Gris, penyejukan, instrumentasi dan sistem hidraulik.Fuel

Kelebihan:
Thread Pipa Dryseal (BSPT (R)/BSP (G). Pelbagai saiz dan konfigurasi

Hubungi kami

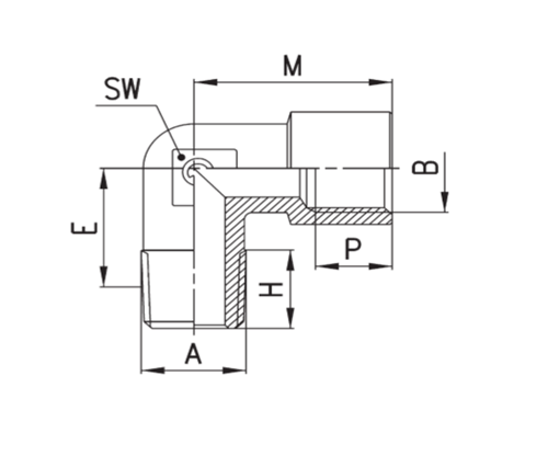
Spesifikasi

Bahagian#

Saiz thread a × b

S.W.

M

E

2020-A R1/8 × g/18 11 19 16
2020-B R1/4 × G1/4 12 23 20
2020-C R3/8 × G3/8 15 25 22
2020-D R1/2 × G1/2 20 31 28
2020-e R3/4 × G3/4 24 36.5 30

Hubungi kami

Mengenai Legin

Legines Industrial Machinery Inc.

Sebagai pengeluar kelengkapan tembaga China profesional dan menolak pembekal kelengkapan. Ia mengamalkan pemesinan CNC penuh dan memiliki kawasan bengkel 3600 meter persegi. 45 Alat Mesin Automatik, 35 Alat Mesin CNC Separa Automatik, serta Pengedar, yang telah menjadi pembekal penting untuk pengeluaran bahagian tembaga standard Amerika di China ...
  • kehormatan
  • kehormatan

Arahan & Berita