legines.com
64# kelengkapan mampatan tee Brass Union

64# kelengkapan mampatan tee Brass Union

Kelengkapan Mampatan Tee Tee Brass 64##

Aplikasi: Pasaran:
■■ Garisan udara ■■ Perindustrian
■■ Garis pelinciran ■■ Pembungkusan
■■ Garis penyejukan ■■ Pneumatik
■■ Industri ■■ Percetakan
■■ Jentera
■■ Pemampat
■■ Pemindahan cecair

Ciri Produk:
■■ Memenuhi keperluan fungsi SAE J-512
■■ UL disenaraikan untuk cecair mudah terbakar
■■ Lengan tembaga atau asetal ada
■■ Tiada penyediaan tiub
■■ Bentuk palsu dan tersemperit

Bahagian Rujukan Tidak:
64 -164C -S64 -64A

Hubungi kami

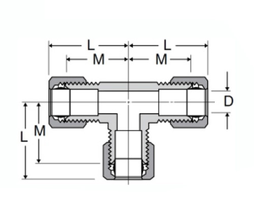
Spesifikasi

Bahagian#

Saiz tiub O.D.

M

M

D

64-2

1/8

/

.53

.94

64-3

3/16

/

.59

.125

64-4

1/4

/

.627

.188

64-5

5/16

/

.65

.250

64-6

3/8

/

.73

.312

64-8

1/2

/

.94

.406

64-10

5/8

/

1.06

.500

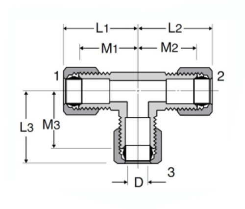
Bahagian#

Saiz tiub

M1

M2

M3

64-4-4-6

1/4x1/4x3/8

.69

.69

.75

64-4-6-4

1/4x3/8x1/4

.69

.75

.69

64-6-6-4

3/8x3/8x1/4

.75

.75

.69

64-8-8-6

1/2x1/2x3/8

.94

.94

.81

64-10-10-8

5/8x5/8x1/2

1.06

1.06

1.06

*Ref.sae No.060401 BA

Kelengkapan mampatan 64 Brass Union Tee kami adalah UL yang disenaraikan untuk cecair mudah terbakar dan memenuhi keperluan fungsi SAE J-512. Tersedia dalam bentuk palsu atau tersemperit, mereka boleh didapati dengan kedua -dua benang machined dan socketed dan sama ada tembaga atau lengan acetal. Tersedia dengan lengan tembaga atau asetal, semua komponen direka untuk pemasangan mudah, jadi pemasangan anda berjalan lancar.

Hubungi kami

Mengenai Legin

Legines Industrial Machinery Inc.

Sebagai pengeluar kelengkapan tembaga China profesional dan menolak pembekal kelengkapan. Ia mengamalkan pemesinan CNC penuh dan memiliki kawasan bengkel 3600 meter persegi. 45 Alat Mesin Automatik, 35 Alat Mesin CNC Separa Automatik, serta Pengedar, yang telah menjadi pembekal penting untuk pengeluaran bahagian tembaga standard Amerika di China ...
  • kehormatan
  • kehormatan

Arahan & Berita