legines.com
70# Diperbuat 90 ° Kelengkapan Mampatan Siku Perempuan

70# Diperbuat 90 ° Kelengkapan Mampatan Siku Perempuan

Aplikasi: Pasaran:
■■ Garisan udara ■■ Perindustrian
■■ Garis pelinciran ■■ Pembungkusan
■■ Garis penyejukan ■■ Pneumatik
■■ Industri ■■ Percetakan
■■ Jentera
■■ Pemampat
■■ Pemindahan cecair

Ciri Produk:
■■ Memenuhi keperluan fungsi SAE J-512
■■ UL disenaraikan untuk cecair mudah terbakar
■■ Lengan tembaga atau asetal ada
■■ Tiada penyediaan tiub
■■ Bentuk palsu dan tersemperit

Bahagian Rujukan Tidak:
70 -170C -S70 -70A

Hubungi kami

Spesifikasi

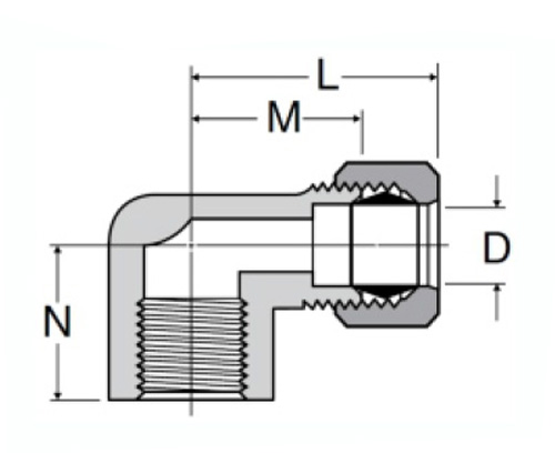
Bahagian#

Tiub o.d x femalr nptf

N

M

D

70-3a

3/16x1/8

.470

.69

.125

70-4a

1/4x1/8

.470

.69

.188

70-4b

1/4x1/4

.562

.75

.188

70-5a

5/16x1/8

.600

.78

.234

70-5b

5/16x1/4

.562

.78

.250

70-6b

3/8x1/4

.580

.81

.312

70-6c

3/8x3/8

.580

.88

.312

70-8b

1/2x1/4

.700

1.00

.312

70-8c

1/2x3/8

.700

1.00

.406

70-8d

1/2x1/2

.880

1.00

.406

*Ref.sae No.060203 BA

The 70# siku wanita yang dipalsukan adalah pemasangan mampatan yang boleh dipercayai untuk memenuhi SAE J-512. Pemasangan ini direka dengan sudut 90 ° berbanding dengan paksi tiub dan boleh digunakan untuk cawangan atau membuat sudut pada bila -bila masa selepas pemasangan. Tembaga atau lengan asetal yang dipalsukan membolehkan pemasangan mudah tanpa penyediaan tiub diperlukan.
Siku wanita 70 darjah digunakan untuk kawalan aliran dan boleh digunakan dalam keluli ringan, keluli tahan karat, aluminium dan plastik. Siku wanita 70 darjah termasuk lengan plastik atau tembaga yang menawarkan rintangan kakisan. Pemasangan ini serasi dengan tiub berdinding lembut dan saiz leher sepadan dengan tiub OD apabila dipasang.

Hubungi kami

Mengenai Legin

Legines Industrial Machinery Inc.

Sebagai pengeluar kelengkapan tembaga China profesional dan menolak pembekal kelengkapan. Ia mengamalkan pemesinan CNC penuh dan memiliki kawasan bengkel 3600 meter persegi. 45 Alat Mesin Automatik, 35 Alat Mesin CNC Separa Automatik, serta Pengedar, yang telah menjadi pembekal penting untuk pengeluaran bahagian tembaga standard Amerika di China ...
  • kehormatan
  • kehormatan

Arahan & Berita