legines.com
105 keluli tiub suar NUT

105 keluli tiub suar NUT

Ciri Produk:
■■ Semua pembinaan tembaga
■■ UL disenaraikan untuk cecair dan gas mudah terbakar
■■ Memenuhi keperluan fungsi SAE J512
■■ Kacang keluli untuk ekonomi

Pasaran: Aplikasi:
■■ Penghawa dingin ■■ Garis penyejuk
■■ Marin ■■ Garis brek
■■ Mudah alih ■■ Garis bahan api
■■ Enjin

Tiub yang serasi:
■■ Tembaga
■■ Tembaga
■■ Aluminium
■■ Tiub hidraulik keluli dikimpal

Bahagian Rujukan Tidak:
2015 -411fs -105 -41w

Hubungi kami

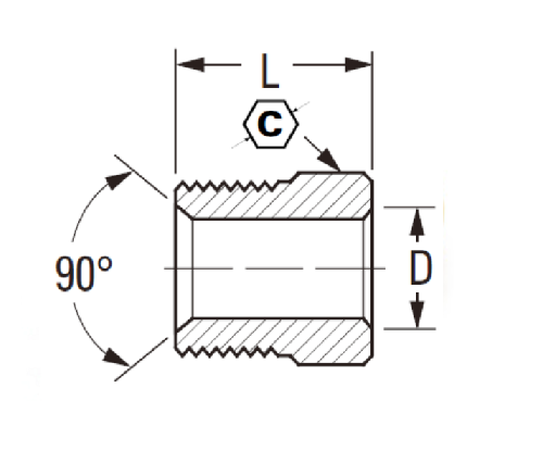
Spesifikasi

Bahagian#

Tube O.D.

C

D

L.

105-3

3/16 5/16 .196

.56

105-4

1/4 3/8 .259 .56

105-5

5/16 7/16 .321 .62

105-6

3/8 5/8 .384 .66

105-8

1/2

3/4

.508

.74

105-10

5/8

7/8

.632

.80

105-12

3/4

1-1/16

.757

.88

Siri 105 adalah pemasangan suar kos rendah. Ia diperbuat daripada tembaga, dan mempunyai ciri -ciri garis cecair dan gas yang mudah terbakar. Siri 105 termasuk kacang keluli untuk ekonomi, yang boleh didapati dalam banyak saiz. Ia juga mempunyai keserasian dengan pelbagai bahan tiub termasuk tembaga, tembaga, aluminium, dan tiub hidraulik keluli yang dikimpal.
Bahagian No: 2015 - 411FS - 105 - 41W telah dihasilkan oleh pengimpal Miller untuk membantu menjadikan persekitaran industri dan komersial lebih selamat, lebih cekap dan berpatutan. Bahagian No.: 2015 - 411FS - 105 - 41W adalah UL dinilai untuk cecair dan gas mudah terbakar. Produk ini diperbuat daripada tembaga gred tinggi yang tidak akan menghancurkan atau berkarat digunakan.
Fitting Nut Nut Fitting 105 keluli memberikan produk yang tahan lama dengan 1/2 "NPT Fitting dan suar 3/8". Ia diperbuat daripada kualiti tinggi semua pembinaan tembaga, mesyuarat atau melebihi semua kod ANSI B16.11 dan SAE J512 yang berkaitan. Produk ini direka untuk digunakan dalam aplikasi berikut: penyaman udara (termasuk garisan AC automotif), garisan penyejuk dan garisan minyak penyejuk, laut, garisan brek, garis bahan api mudah alih, enjin, dll.
Ini 3/4 "x 3/4" x 8 "ini suar kacang keluli dengan gasket meterai tekanan dapat membantu anda mendapatkan kebolehpercayaan, ketahanan dan keselamatan yang anda minta dari garisan tiub perindustrian anda. Badan cast-brass dan swivel tembaga pepejal menjadikan ini lebih tahan lama, sementara nut keluli bebas keluli kebocoran membantu menghalang sebarang masalah korosi.

Hubungi kami

Mengenai Legin

Legines Industrial Machinery Inc.

Sebagai pengeluar kelengkapan tembaga China profesional dan menolak pembekal kelengkapan. Ia mengamalkan pemesinan CNC penuh dan memiliki kawasan bengkel 3600 meter persegi. 45 Alat Mesin Automatik, 35 Alat Mesin CNC Separa Automatik, serta Pengedar, yang telah menjadi pembekal penting untuk pengeluaran bahagian tembaga standard Amerika di China ...
  • kehormatan
  • kehormatan

Arahan & Berita