legines.com
3151# Kelengkapan Tembaga Square Head Plug Fittings

3151# Kelengkapan Tembaga Square Head Plug Fittings

Ciri Produk: Pasaran:
■■ Semua pembinaan tembaga ■■ Perindustrian
■■ Memenuhi keperluan fungsional ■■ Pembinaan
SAE J530 dan SAE J531 ■■ Trak tugas berat
■■ Benang yang dibuat untuk standard dryseal ■■ Mudah alih
■■ Kedua -dua pemalsuan dan extrusion ada ■■ Automasi Kilang/Proses

Aplikasi: tiub yang serasi:
■■ Garisan udara ■■ Tembaga
■■ Garis air ■■ Tembaga
■■ Garis penyejukan ■■ Paip besi

Spesifikasi:
Tekanan sehingga 1000 psi
Julat suhu -65˚ hingga 250˚F

Permohonan biasa:
Gris, bahan api, LP dan gas asli, refrigertion.instrumentation dan sistem hidraulik

Kesesuaian:
Memenuhi spesifikasi dan piawaian ASA, ASME dan SAE.

Bahagian Rujukan Tidak:
3151 -211p -109a -109b

Hubungi kami

Spesifikasi

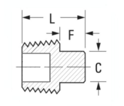
Bahagian#

Saiz Thread

C

F

L.

3151-A

1/8

.28

.24

.58

3151-B

1/8

.37

.29

.80

*3151L-b

1/4

.37

.29

.80

3151-C

3/8

.43

.32

.80

3151L-C

3/8

.43

.32

.80

3151-D

1/2

.56

.39

1.07

*3151L-D

1/2

.56

.39

1.07

3151-e

3/4

.62

.43

1.11

*3151L-E

3/4

.62

.43

1.11

*Hollow

Siri 3151 kami menawarkan pelbagai kelengkapan tiub yang digunakan dalam saluran udara, saluran air, dan sistem pelinciran. Kelengkapan tembaga ini dihasilkan dari bahan SAE J530 dan SAE J531 untuk memenuhi tekanan dan suhu kerja anda untuk hayat perkhidmatan yang boleh dipercayai. Kelengkapan memaparkan kedua -dua pemalsuan dan penyeksaan yang tersedia, serta penutup pelapisan tahan kakisan yang boleh dicat ke mana -mana standard OEM. Semua pembinaan tembaga menyediakan ketahanan dan kekuatan kakisan yang unggul. Pemasangan ini memenuhi standard J530, dan serasi dengan threading paip kering. Sama ada anda membina garis udara baru atau menggantikan kelengkapan logam yang lebih tua dengan teknologi moden, kelengkapan tahan lama ini akan membantu anda mendapatkan pekerjaan yang dilakukan dengan betul.
Kelengkapan plag kepala persegi dihasilkan dari tembaga dan boleh digunakan dalam pelbagai aplikasi termasuk saluran penyejukan, garisan air, saluran udara, dan sambungan elektronik. Setiap pemasangan serasi dengan tiub tembaga atau paip besi serta tiub tembaga.

Hubungi kami

Mengenai Legin

Legines Industrial Machinery Inc.

Sebagai pengeluar kelengkapan tembaga China profesional dan menolak pembekal kelengkapan. Ia mengamalkan pemesinan CNC penuh dan memiliki kawasan bengkel 3600 meter persegi. 45 Alat Mesin Automatik, 35 Alat Mesin CNC Separa Automatik, serta Pengedar, yang telah menjadi pembekal penting untuk pengeluaran bahagian tembaga standard Amerika di China ...
  • kehormatan
  • kehormatan

Arahan & Berita