legines.com
3400# kelengkapan paip tembaga 90 darjah siku jalanan

3400# kelengkapan paip tembaga 90 darjah siku jalanan

Ciri Produk: Pasaran:
■■ Semua pembinaan tembaga ■■ Perindustrian
■■ Memenuhi keperluan fungsional ■■ Pembinaan
SAE J530 dan SAE J531 ■■ Trak tugas berat
■■ Benang yang dibuat untuk standard dryseal ■■ Mudah alih
■■ Kedua -dua pemalsuan dan extrusion ada ■■ Automasi Kilang/Proses

Aplikasi: tiub yang serasi:
■■ Garisan udara ■■ Tembaga
■■ Garis air ■■ Tembaga
■■ Garis penyejukan ■■ Paip besi

Spesifikasi:
Tekanan sehingga 1000 psi
Julat suhu -65˚ hingga 250˚F

Permohonan biasa:
Gris, bahan api, LP dan gas asli, refrigertion.instrumentation dan sistem hidraulik

Kesesuaian:
Memenuhi spesifikasi dan piawaian ASA, ASME dan SAE.

Bahagian Rujukan Tidak:
2202p -3400 -304 -115 -202 -116a -28156 hingga 2816

Hubungi kami

Spesifikasi

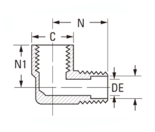
Bahagian# Saiz Thread C D N N1
3400-AA 1/8 × 1/8 9/16 .219 .66 .47
3400-bb 1/4 × 1/4 11/16 .315 .91 .72
3400-cc 3/8 × 3/8 13/16 .438 .97 .78
3400-DD 1/2 × 1/2 1 " .562 1.25 1.03
3400-EE 3/4 × 3/4 1-1/4 .750 1.38 1.12

Ref.Sae No.130239

3400# kelengkapan paip tembaga 90 darjah siku jalanan dibuat dari semua pembinaan tembaga dan serasi dengan kedua -dua pemalsuan dan ekstrusi; Kelengkapan gred industri yang memenuhi keperluan fungsi SAE J530 dan SAE J531; Pasar: Pembinaan, trak tugas berat dan mudah alih. Kedua -dua piawaian diikuti untuk bekerja pada aplikasi mudah alih yang merupakan getah termoplastik (TPR) telah dibangunkan untuk digunakan dalam aplikasi automotif, perindustrian dan komersil di mana CPVC tidak serasi. Ia boleh didapati dalam pelbagai saiz dan mempunyai rintangan kakisan yang luar biasa. Pemasangan ini digunakan untuk menghubungkan garis udara yang terdiri daripada tiub tembaga. Ia mempunyai sudut 90 darjah dan diperbuat daripada tembaga, jadi ia dapat menahan keadaan cuaca yang keras.

Hubungi kami

Mengenai Legin

Legines Industrial Machinery Inc.

Sebagai pengeluar kelengkapan tembaga China profesional dan menolak pembekal kelengkapan. Ia mengamalkan pemesinan CNC penuh dan memiliki kawasan bengkel 3600 meter persegi. 45 Alat Mesin Automatik, 35 Alat Mesin CNC Separa Automatik, serta Pengedar, yang telah menjadi pembekal penting untuk pengeluaran bahagian tembaga standard Amerika di China ...
  • kehormatan
  • kehormatan

Arahan & Berita