legines.com
3600# kelengkapan tembaga cawangan tee plus pleting

3600# kelengkapan tembaga cawangan tee plus pleting

Ciri Produk: Pasaran:
■■ Semua pembinaan tembaga ■■ Perindustrian
■■ Memenuhi keperluan fungsional ■■ Pembinaan
SAE J530 dan SAE J531 ■■ Trak tugas berat
■■ Benang yang dibuat untuk standard dryseal ■■ Mudah alih
■■ Kedua -dua pemalsuan dan extrusion ada ■■ Automasi Kilang/Proses

Aplikasi: tiub yang serasi:
■■ Garisan udara ■■ Tembaga
■■ Garis air ■■ Tembaga
■■ Garis penyejukan ■■ Paip besi

Spesifikasi:
Tekanan sehingga 1000 psi
Julat suhu -65˚ hingga 250˚F

Permohonan biasa:
Gris, bahan api, LP dan gas asli, refrigertion.instrumentation dan sistem hidraulik

Kesesuaian:
Memenuhi spesifikasi dan piawaian ASA, ASME dan SAE.

Bahagian Rujukan Tidak:
2224p -3600 -T9 -x106 -226 -329 -128 -28281 ~ 28285

Hubungi kami

Spesifikasi

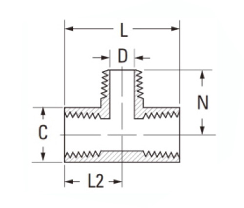
Bahagian# Saiz Thread C D L2 N
3600-A F1/8 × M1/8 9/16 .219 1.10 .66
3600-B F1/4 × M1/4 11/16 .315 1.56 .91
3600-C F3/8 × M3/8 13/16 .438 1.68 .97
3600-D F1/2 × M1/2 1 " .562 2.18 1.25
3600-E F3/4 × M3/4 1 "-1/4 .750 2.31 1.38

*Ref.sae No.130425

Kelengkapan tee cawangan berat dibuat dari tembaga tolok berat, yang dihasilkan untuk SAE J530 dan SAE J531 standard. Mereka boleh didapati dalam kedua -dua pemalsuan dan penyeksaan, yang memberi kita fleksibiliti untuk menawarkan pelbagai pilihan untuk pelanggan kami. Dibina dengan kedua-dua penarafan tekanan dan suhu, Tees cawangan ini sesuai untuk digunakan dalam hampir semua proses perindustrian. Kedua -dua jenama tiub boleh digunakan dengan jayanya dengan pemasangan ini. Line Copper & Brass Cawangan Tee Fittings menyediakan anda dengan kualiti unggul dan prestasi yang boleh dipercayai dalam pelbagai aplikasi yang paling luas. Jurutera yang berkelayakan kami dapat membantu anda memilih produk terbaik atau merancang sistem untuk memenuhi keperluan khusus anda.

Hubungi kami

Mengenai Legin

Legines Industrial Machinery Inc.

Sebagai pengeluar kelengkapan tembaga China profesional dan menolak pembekal kelengkapan. Ia mengamalkan pemesinan CNC penuh dan memiliki kawasan bengkel 3600 meter persegi. 45 Alat Mesin Automatik, 35 Alat Mesin CNC Separa Automatik, serta Pengedar, yang telah menjadi pembekal penting untuk pengeluaran bahagian tembaga standard Amerika di China ...
  • kehormatan
  • kehormatan

Arahan & Berita