legines.com
3750# Kelengkapan Tembaga Lelaki Run Tee Tee Pipe Fittings

3750# Kelengkapan Tembaga Lelaki Run Tee Tee Pipe Fittings

Ciri Produk: Pasaran:
■■ Semua pembinaan tembaga ■■ Perindustrian
■■ Memenuhi keperluan fungsional ■■ Pembinaan
SAE J530 dan SAE J531 ■■ Trak tugas berat
■■ Benang yang dibuat untuk standard dryseal ■■ Mudah alih
■■ Kedua -dua pemalsuan dan extrusion ada ■■ Automasi Kilang/Proses

Aplikasi: tiub yang serasi:
■■ Garisan udara ■■ Tembaga
■■ Garis air ■■ Tembaga
■■ Garis penyejukan ■■ Paip besi

Spesifikasi:
Tekanan sehingga 1000 psi
Julat suhu -65˚ hingga 250˚F

Permohonan biasa:
Gris, bahan api, LP dan gas asli, refrigertion.instrumentation dan sistem hidraulik

Kesesuaian:
Memenuhi spesifikasi dan piawaian ASA, ASME dan SAE.

Bahagian Rujukan Tidak:
2225p -225 -3750 -326 -225 -127a -28245 ~ 28249

Hubungi kami

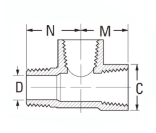
Spesifikasi

Bahagian#

Saiz Thread

C

D

M

N

3750-A

1/8

9/16

.219

.55

.66

3750-B

1/4

11/16

.312

.78

.90

3750-C

3/8

13/16

.438

.84

.97

3750-D

1/2

1 "

.562

1.09

1.25

3750-e

3/4

1 "-1/4

.750

1.38

1.38

*Ref.sae.no.130424

#3750 Kelengkapan Tee Run Male dihasilkan dari tembaga dan memenuhi keperluan perindustrian, automasi kilang/proses, dan aplikasi mudah alih. Mereka menyediakan sambungan untuk talian udara bertekanan. Tiub yang serasi boleh didapati dalam paip tembaga, tembaga, dan besi. Pasaran termasuk pasaran trak pembinaan, industri dan berat. Bahan yang serasi termasuk saluran udara, garisan air dan garis penyejukan. Kelengkapan tembaga ini datang pada lelaki dan perempuan untuk kemudahan anda. Bahan -bahan ini cukup kuat untuk berdiri untuk kebocoran dan memaksa, menjadikannya sesuai untuk keadaan cuaca.  Setiap pemasangan dibuat dengan tiub tembaga, tembaga dan bahan berkualiti lain yang membawa kekuatan, ketahanan dan umur panjang ke sekeping.

Hubungi kami

Mengenai Legin

Legines Industrial Machinery Inc.

Sebagai pengeluar kelengkapan tembaga China profesional dan menolak pembekal kelengkapan. Ia mengamalkan pemesinan CNC penuh dan memiliki kawasan bengkel 3600 meter persegi. 45 Alat Mesin Automatik, 35 Alat Mesin CNC Separa Automatik, serta Pengedar, yang telah menjadi pembekal penting untuk pengeluaran bahagian tembaga standard Amerika di China ...
  • kehormatan
  • kehormatan

Arahan & Berita