legines.com
369ptc siku lelaki swivel 90 °

369ptc siku lelaki swivel 90 °

Ciri Produk:
■■ Collet tembaga
■■ Buna n o-ring
■■ Sokongan tiub keluli tahan karat
■■ Bertemu D.O.T. FMVSS571.106
■■ Bertemu SAE J2494-3
■■ Badan komposit - tahan kuat, ringan, padat dan tahan
■■ Konfigurasi plug-in

Pasaran:
■■ Trak tugas berat
■■ Treler
■■ Mudah alih

Aplikasi:
■■ Brek udara
■■ Tangki udara
■■ Menaiki udara
■■ Slider
■■ Inflasi tayar
■■ Garis utama & SecondaryAir
■■ Kawalan teksi

Hubungi kami

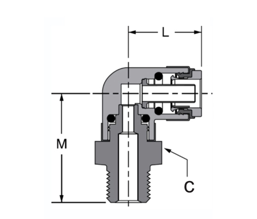
Spesifikasi

Bahagian# Saiz tiub x lelaki nptf C M L. W.G. Harga
369PTC-4A 1/4 × 1/8 9/16 .69 .69
369PTC-4B 1/4 × 1/4 9/16 .69 1.20
369PTC-4C 1/4 × 3/8 9/16 .69 1.20
369PTC-6A 3/8 × 1/8 3/4 .99 1.13
369PTC-6B 3/8 × 1/4 3/4 .99 1.28
369PTC-6C 3/8 × 3/8 3/4 .99 1.28
369PTC-6D 3/8 × 1/2 3/4 .99 1.47
369PTC-8B 1/2 × 1/4 15/16 1.11 1.39
369PTC-6C 1/2 × 3/8 15/16 1.11 1.39
369PTC-6D 1/2 × 1/2 15/16 1.11 1.58
369PTC-10C 5/8 × 3/8 1-1/16 1.33 1.60
369PTC-10D 5/8 × 1/2 1-1/16 1.33 1.79
369PTC-12D 3/4 × 1/2 1-3/16 1.52 1.89
369PTC-12E 3/4x3/4 1-3/16 1.52 1.89

Swivel siku lelaki 369PTC akan menjimatkan masa dan wang anda. Penyambung yang diuji dan disenaraikan sepenuhnya ini memenuhi FMVSS 571.106, Standard Keselamatan Kenderaan Motor Persekutuan untuk hos brek udara. 369PTC diperbuat daripada bahan komposit kekuatan tinggi yang tahan terhadap kesan, mempunyai hayat perkhidmatan yang panjang dan mudah dipasang dengan sesendal jenis mampatan.

Hubungi kami

Mengenai Legin

Legines Industrial Machinery Inc.

Sebagai pengeluar kelengkapan tembaga China profesional dan menolak pembekal kelengkapan. Ia mengamalkan pemesinan CNC penuh dan memiliki kawasan bengkel 3600 meter persegi. 45 Alat Mesin Automatik, 35 Alat Mesin CNC Separa Automatik, serta Pengedar, yang telah menjadi pembekal penting untuk pengeluaran bahagian tembaga standard Amerika di China ...
  • kehormatan
  • kehormatan

Arahan & Berita