legines.com
1564 d.o.t tolak dalam tee pemasangan

1564 d.o.t tolak dalam tee pemasangan

Ciri Produk:
■■ Collet tembaga
■■ Buna n o-ring
■■ Sokongan tiub keluli tahan karat
■■ Bertemu D.O.T. FMVSS571.106
■■ Bertemu SAE J2494 & SAE J2494-3

Pasaran:
■■ Trak tugas berat
■■ Treler
■■ Mudah alih

Aplikasi:
■■ Brek udara
■■ Tangki udara
■■ Menaiki udara
■■ Slider
■■ Inflasi tayar
■■ Garis utama & SecondaryAir

Tiub yang serasi:
■■ SAE J844 Jenis A & B Nylon Tubing

Bahagian Rujukan Tidak:
AQ64DOT -164PMT -1864 -DQ64DOT -1564 -dot

Hubungi kami

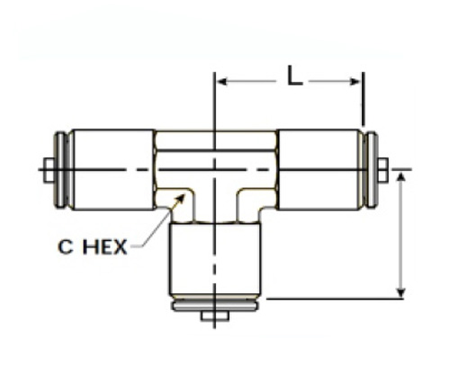
Spesifikasi

Bahagian# Saiz tiub O.D. C L.
1564-dot-4 1/4 3/8 .95
1564-dot-6 3/8 1/2 .96
1564-dot-8 1/2 5/8 1.16
1564-dot-10 5/8 11/16 1.19
1564-dot-12 3/4 15/16 1.40

AQ64DOT adalah push separa fleksibel pada tee pemasangan. Ia mempunyai O-ring, buna n, yang direka untuk tekanan tinggi, aplikasi suhu rendah. Sokongan tiub berganda menghalang keluar dari tiub semasa aplikasi tekanan tinggi. Bahan yang digunakan untuk produk ini adalah keluli tahan karat SS304 dan tembaga dengan buna n o-ring yang memenuhi keperluan SAE J2494 & SAE J2494-3. Produk ini serasi dengan kedua-dua tiub nilon jenis SAE J844. Ia boleh digunakan dalam trak tugas berat, treler dan peralatan mudah alih untuk mengangkut saluran udara. Pemasangan ini menjadikannya mudah untuk memisahkan saluran udara anda dari sistem brek tanpa perlu memotong sebarang tiub, sekali gus meningkatkan keselamatan ketika melayani brek anda.

Hubungi kami

Mengenai Legin

Legines Industrial Machinery Inc.

Sebagai pengeluar kelengkapan tembaga China profesional dan menolak pembekal kelengkapan. Ia mengamalkan pemesinan CNC penuh dan memiliki kawasan bengkel 3600 meter persegi. 45 Alat Mesin Automatik, 35 Alat Mesin CNC Separa Automatik, serta Pengedar, yang telah menjadi pembekal penting untuk pengeluaran bahagian tembaga standard Amerika di China ...
  • kehormatan
  • kehormatan

Arahan & Berita