legines.com
69# siku lelaki tembaga 90 ° tembaga

69# siku lelaki tembaga 90 ° tembaga

Aplikasi: Pasaran:
■■ Garisan udara ■■ Perindustrian
■■ Garis pelinciran ■■ Pembungkusan
■■ Garis penyejukan ■■ Pneumatik
■■ Industri ■■ Percetakan
■■ Jentera
■■ Pemampat
■■ Pemindahan cecair

Ciri Produk:
■■ Memenuhi keperluan fungsi SAE J-512
■■ UL disenaraikan untuk cecair mudah terbakar
■■ Lengan tembaga atau asetal ada
■■ Tiada penyediaan tiub
■■ Bentuk palsu dan tersemperit

Bahagian Rujukan Tidak:
69 -169 -S69 -69a

Hubungi kami

Spesifikasi

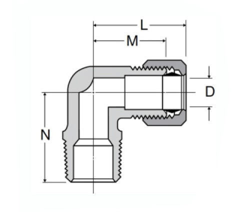
Bahagian# Tiub o.d*lelaki nptf N M
69-2a 1/8*1/8 .68 .59
69-3a 3/16*1/8 .68 .62
69-3b 3/16*1/4 .85 .61
69-4a 1/4*1/8 .75 .62
69-4b 1/4*1/4 .91 .65
69-4c 1/4*3/8 .93 .72
69-4d 1/4*1/2 1.11 .82
69-5a 5/16*1/8 .71 .67
69-5b 5/16*1/4 .82 .66
69-5c 5/16*3/8 .93 .81
69-5d 5/16*1/2 1.12 .82
69-6a 3/8*1/8 .72 .72
69-6b 3/8*1/4 .88 .75
69-6c 3/8*3/8 .93 .81
69-6d 3/8*1/2 1.18 .87
69-8b 1/2*1/4 .97 .88
69-8c 1/2*3/8 1.06 .88
69-8d 1/2*1/2 1.13 .94
69-8e 1/2*3/4 1.25 1.16
69-10c 5/8*3/8 1.25 1.06
69-10d 5/8*1/2 1.31 1.06
69-12d 3/4*1/2 1.31 1.19
69-12E 3/4*3/4 1.38 1.19

*Ref.sae No.060202 BA

Tembaga kami dan acetal 90 ° siku lelaki direka mengikut SAE J-512. Ia memenuhi keperluan fungsi spesifikasi itu, dengan sendi mampatan dan akhir yang terbentuk. Lengan tembaga atau asetal tertanam dalam flange machined yang memberikan ketegaran, namun membolehkan tiub (s) dimasukkan tanpa penyediaan.
Pemasangan siku tembaga lelaki 90 ° direka untuk menghubungkan tiub tanpa memerlukan penyediaan tiub. Pemasangan sejagat ini boleh digunakan dengan kelengkapan lain yang serupa untuk mewujudkan sistem paip kompleks yang mudah dipasang dan diselenggara.

Hubungi kami

Mengenai Legin

Legines Industrial Machinery Inc.

Sebagai pengeluar kelengkapan tembaga China profesional dan menolak pembekal kelengkapan. Ia mengamalkan pemesinan CNC penuh dan memiliki kawasan bengkel 3600 meter persegi. 45 Alat Mesin Automatik, 35 Alat Mesin CNC Separa Automatik, serta Pengedar, yang telah menjadi pembekal penting untuk pengeluaran bahagian tembaga standard Amerika di China ...
  • kehormatan
  • kehormatan

Arahan & Berita