legines.com
72# kelengkapan mampatan tee cawangan lelaki

72# kelengkapan mampatan tee cawangan lelaki

Aplikasi: Pasaran:
■■ Garisan udara ■■ Perindustrian
■■ Garis pelinciran ■■ Pembungkusan
■■ Garis penyejukan ■■ Pneumatik
■■ Industri ■■ Percetakan
■■ Jentera
■■ Pemampat
■■ Pemindahan cecair

Ciri Produk:
■■ Memenuhi keperluan fungsi SAE J-512
■■ UL disenaraikan untuk cecair mudah terbakar
■■ Lengan tembaga atau asetal ada
■■ Tiada penyediaan tiub
■■ Bentuk palsu dan tersemperit

Bahagian Rujukan Tidak:
72 -172C -S72 -72A

Hubungi kami

Spesifikasi

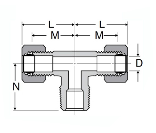
Bahagian#

Tiub o.d × lelaki nptf

M

N

D

72-3a

3/16 × 1/8

.63

.69

.125

72-4a

1/4 × 1/8

.63

.75

.188

72-4b

1/4 × 1/4

.69

.88

.188

72-5a

5/16 × 1/8

.72

.75

.250

72-5b

5/16 × 1/4

.75

.88

.250

72-6a

3/8 × 1/8

.75

.75

.312

72-6b

3/8 × 1/4

.79

.87

.312

72-6c

3/8 × 3/8

.88

1.00

.330

72-8c

1/2 × 3/8

.94

1.09

.406

72-8d

1/2 × 1/2

.97

1.19

.406

72-10d

5/8 × 1/2

1.06

1.31

.500

Semua kelengkapan mampatan dihasilkan untuk memenuhi atau melebihi keperluan fungsi SAE J-512 dan UL yang disenaraikan untuk cecair mudah terbakar. Mereka diperbuat daripada aloi aluminium, tembaga atau asetal. Bentuk palsu dan tersemperit kita mempunyai tahap rintangan yang tinggi terhadap kerosakan yang biasanya akan berlaku dalam kelengkapan yang lebih konvensional. Kami akan membuat apa -apa bentuk yang boleh anda bayangkan sehingga diameter maksimum 2 ".
Kelengkapan mampatan Tee cawangan lelaki adalah pemasangan tee jenis cawangan 90 ° untuk digunakan dengan tembaga, keluli tahan karat, dan paip termoplastik. Siku berputar 360 ° untuk memudahkan untuk menyambung ke sudut yang sukar dan paip tee.

Hubungi kami

Mengenai Legin

Legines Industrial Machinery Inc.

Sebagai pengeluar kelengkapan tembaga China profesional dan menolak pembekal kelengkapan. Ia mengamalkan pemesinan CNC penuh dan memiliki kawasan bengkel 3600 meter persegi. 45 Alat Mesin Automatik, 35 Alat Mesin CNC Separa Automatik, serta Pengedar, yang telah menjadi pembekal penting untuk pengeluaran bahagian tembaga standard Amerika di China ...
  • kehormatan
  • kehormatan

Arahan & Berita