legines.com
50# SAE 45 ° Flare Forged 90 ° Perempuan Siku Flare Fittings

50# SAE 45 ° Flare Forged 90 ° Perempuan Siku Flare Fittings

Ciri Produk:
■■ Semua pembinaan tembaga
■■ Menahan getaran dengan penggunaan kacang panjang
■■ Penyenaraian UL
■■ Keperluan Fungsian SAE J512 dan J513


Pasaran: Aplikasi:
■■ Penyejukan ■■ Garis penyejuk
■■ Trak tugas berat ■■ Propana
■■ Mudah alih ■■ Bahan api
■■ Perindustrian ■■ Penyesuai
■■ Pemanasan ■■ Gas asli
■■ Penghawa dingin

Bahagian Rujukan Tidak:
50 -150f -E3 -S150

Hubungi kami

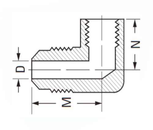
Spesifikasi

Bahagian#

Flare O.D × Thread

D

M

N

50-3a

3/16 × 1/8

.126

.81

.48

50-4a

1/4 × 1/8

.189

.90

.48

50-4b

1/4 × 1/4

.189

.97

.65

50-4c

1/4 × 3/8

.189

1.03

.60

50-4d

1/4 × 1/2

.189

1.08

.66

50-5a

5/16 × 1/8

.219

.94

.88

50-5b

5/16 × 1/4

.219

1.03

.60

50-5c

5/16 × 3/8

.219

1.05

.60

50-6a

3/8 × 1/8

.282

1.00

.88

50-6b

3/8 × 1/4

.282

1.06

.60

50-6c

3/8 × 3/8

.282

1.06

.60

50-6d

3/8 × 1/2

.282

1.23

.78

50-8b

1/2 × 1/4

.408

1.25

.70

50-8c

1/2 × 3/8

.408

1.25

.70

50-8d

1/2 × 1/2

.408

1.36

.80

50-8e

1/2 × 3/4

.408

1.51

.92

50-10d

5/8 × 1/2

.500

1.42

.82

50-10E

5/8 × 3/4

.500

1.64

.95

*Data dimensi dapat berubah tanpa notis

* Ref.Sae No.010203

Semua pembinaan tembaga, 50# SAE 45 ° Flare yang dipalsukan 90 ° Perempuan siku siku siku kelengkapan suar adalah UL disenaraikan dan akan menahan getaran dengan penggunaan kacang panjang. Keperluan fungsi SAE J512 dan J513 dipenuhi dengan produk ini menjadikannya sesuai untuk penyejukan, trak tugas berat dan aplikasi bahan api mudah alih. Penyesuai ini telah dioptimumkan untuk digunakan dalam peralatan mudah alih di mana trak tugas berat diperlukan.

Hubungi kami

Mengenai Legin

Legines Industrial Machinery Inc.

Sebagai pengeluar kelengkapan tembaga China profesional dan menolak pembekal kelengkapan. Ia mengamalkan pemesinan CNC penuh dan memiliki kawasan bengkel 3600 meter persegi. 45 Alat Mesin Automatik, 35 Alat Mesin CNC Separa Automatik, serta Pengedar, yang telah menjadi pembekal penting untuk pengeluaran bahagian tembaga standard Amerika di China ...
  • kehormatan
  • kehormatan

Arahan & Berita