legines.com
55# SAE 45 ° Fittings Flare Forged 90 ° suar suar

55# SAE 45 ° Fittings Flare Forged 90 ° suar suar

Ciri Produk:
■■ Semua pembinaan tembaga
■■ Menahan getaran dengan penggunaan kacang panjang
■■ Penyenaraian UL
■■ Keperluan Fungsian SAE J512 dan J513


Pasaran: Aplikasi:
■■ Penyejukan ■■ Garis penyejuk
■■ Trak tugas berat ■■ Propana
■■ Mudah alih ■■ Bahan api
■■ Perindustrian ■■ Penyesuai
■■ Pemanasan ■■ Gas asli
■■ Penghawa dingin

Bahagian Rujukan Tidak:
E2 -155f -55 -10044 hingga 10412

Hubungi kami

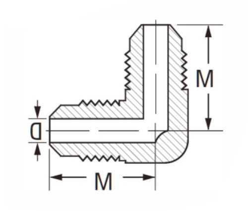
Spesifikasi

Bahagian#

Tube O. d

C

D

L.

55-2

1/8

3/8

.079

.64

55-3

3/16

3/8

.126

.73

55-4

1/4

3/8

.189

.81

55-5

5/16

7/16

.220

.92

55-6

3/8

7/16

.282

1.04

55-8

1/2

9/16

.408

1.31

55-10

5/8

11/16

.502

1.39

5512

3/4

7/8

.627

1.53

55-6 × 4

3/8 × 1/4

7/16

/

/

55-8 × 6

1/2 × 3/8

7/16

/

/

55-10 × 8

5/8 × 1/2

11/16

/

/

*Data dimensi dapat berubah tanpa notis

*Ref.sae.no.010201

SAE 45 ° Kelengkapan suar yang dipalsukan 90 ° siku siku sangat sesuai untuk gas asli dan propana. Produk ini mempunyai pembinaan tembaga berkualiti tinggi, dengan kacang panjang. Kelengkapan kami adalah UL disenaraikan dan memenuhi keperluan fungsi SAE J512 dan J513.

Hubungi kami

Mengenai Legin

Legines Industrial Machinery Inc.

Sebagai pengeluar kelengkapan tembaga China profesional dan menolak pembekal kelengkapan. Ia mengamalkan pemesinan CNC penuh dan memiliki kawasan bengkel 3600 meter persegi. 45 Alat Mesin Automatik, 35 Alat Mesin CNC Separa Automatik, serta Pengedar, yang telah menjadi pembekal penting untuk pengeluaran bahagian tembaga standard Amerika di China ...
  • kehormatan
  • kehormatan

Arahan & Berita