legines.com
402 Flare terbalik 90 ° kelengkapan siku lelaki

402 Flare terbalik 90 ° kelengkapan siku lelaki

Ciri Produk:
■■ Semua pembinaan tembaga
■■ UL disenaraikan untuk cecair dan gas mudah terbakar
■■ Memenuhi keperluan fungsi SAE J512
■■ Kacang keluli untuk ekonomi

Pasaran: Aplikasi:
■■ Penghawa dingin ■■ Garis penyejuk
■■ Marin ■■ Garis brek
■■ Mudah alih ■■ Garis bahan api
■■ Enjin

Tiub yang serasi:
■■ Tembaga
■■ Tembaga
■■ Aluminium
■■ Tiub hidraulik keluli dikimpal

Bahagian Rujukan Tidak:
4000 -2400 -2491IFHD -2491IF -49W

Hubungi kami

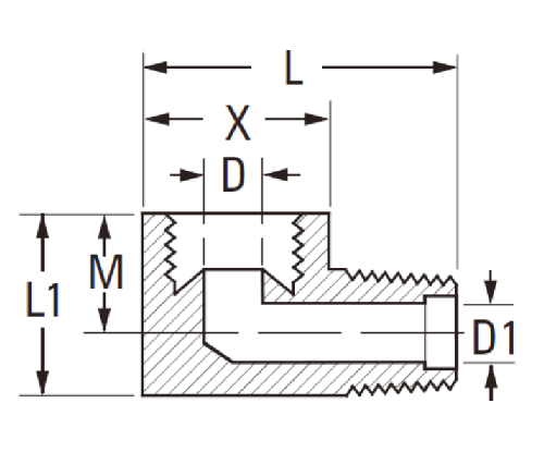
Spesifikasi

Bahagian#

Tiub o.d × benang lelaki

X

D

L.

402-2a

1/8 × 1/8 .42 .078 .80

402-3a

3/16 × 1/8 .47 .125 .70

402-4a

1/4 × 1/8 .53 .188 .74

402-4b

1/4 × 1/4 .56 .188 .89

402-5a

5/16 × 1/8 .59 .219 .79

402-5b

5/16 × 1/4 .59 .220 .98

402-6a

3/8 × 1/8 .76 .281 .89

402-6b

3/8 × 1/4 .76 .281 1.03

402-6c

3/8 × 3/8 .75 .281 1.01

402-8b

1/2 × 1/4 .91 .406 1.08

402-8c

1/2 × 3/8 .92 .406 1.07
402-8d 1/2 × 1/2 .91 .406 1.26
402-10d 5/8 × 1/2 1.06 .531 1.32

*Ref.sae No.040202 BA

Siku 90 ° yang dibakar membolehkan anda menyambungkan dua baris dengan mudah pada sudut kanan. Mereka digunakan untuk menukar arah di dalam air, penghawa dingin dan garisan penyejuk, garisan brek dan garisan bahan api. Pembinaan semua-brass dan kacang keluli menjadikannya ideal untuk digunakan dengan hos getah hidraulik keluli.
Siku 90 ° ini adalah semua pembinaan tembaga, UL yang disenaraikan untuk cecair dan gas mudah terbakar, memenuhi keperluan fungsi SAE J512, 1/8 "x1/8" tiub hingga 1/2 "x1/2" Pemasangan lelaki. Kacang keluli untuk ekonomi memenuhi kebanyakan piawaian pengeluar kereta OEM.
Ini adalah pemasangan siku lelaki NPT yang dibina dari tembaga dan digunakan dalam paip. Pemasangan ini menyediakan cara yang murah untuk menyambungkan paip yang dibuat dengan bahan dan saiz yang berbeza.

Hubungi kami

Mengenai Legin

Legines Industrial Machinery Inc.

Sebagai pengeluar kelengkapan tembaga China profesional dan menolak pembekal kelengkapan. Ia mengamalkan pemesinan CNC penuh dan memiliki kawasan bengkel 3600 meter persegi. 45 Alat Mesin Automatik, 35 Alat Mesin CNC Separa Automatik, serta Pengedar, yang telah menjadi pembekal penting untuk pengeluaran bahagian tembaga standard Amerika di China ...
  • kehormatan
  • kehormatan

Arahan & Berita