legines.com
502 Siku Kesatuan Flare Terbalik

502 Siku Kesatuan Flare Terbalik

Ciri Produk:
■■ Semua pembinaan tembaga
■■ UL disenaraikan untuk cecair dan gas mudah terbakar
■■ Memenuhi keperluan fungsi SAE J512
■■ Kacang keluli untuk ekonomi

Pasaran: Aplikasi:
■■ Penghawa dingin ■■ Garis penyejuk
■■ Marin ■■ Garis brek
■■ Mudah alih ■■ Garis bahan api
■■ Enjin

Tiub yang serasi:
■■ Tembaga
■■ Tembaga
■■ Aluminium
■■ Tiub hidraulik keluli dikimpal

Bahagian Rujukan Tidak:
502 -450

Hubungi kami

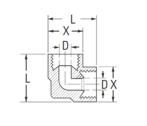
Spesifikasi

Bahagian#

Tube O.D.

D

M

L.

502-4 1/4 .188 .53 .77
*502-5 5/16 .219 .59 .86
*502-6 3/8 .281 .72 1.04

*Bukan standard

*Ref.sae No.040201 BA

Siku Kesatuan Flare yang terbalik 502 adalah kesatuan suar yang menyediakan sambungan serasi universal untuk tiub di bahagian hiliran bahagian. Ia mempunyai semua pembinaan tembaga, disenaraikan UL untuk cecair dan gas mudah terbakar, dan memenuhi keperluan fungsi SAE J512. Kacang keluli untuk ekonomi sila periksa ref no.
Siku kesatuan ini adalah pemasangan paip yang digunakan dalam sistem penyejukan dan penyaman udara. Ia biasanya disambungkan ke tiub tembaga, perak atau tembaga. Kelengkapan yang terbakar termasuk lubang saliran untuk membantu mengalirkan pemeluwapan dari tiub.

Hubungi kami

Mengenai Legin

Legines Industrial Machinery Inc.

Sebagai pengeluar kelengkapan tembaga China profesional dan menolak pembekal kelengkapan. Ia mengamalkan pemesinan CNC penuh dan memiliki kawasan bengkel 3600 meter persegi. 45 Alat Mesin Automatik, 35 Alat Mesin CNC Separa Automatik, serta Pengedar, yang telah menjadi pembekal penting untuk pengeluaran bahagian tembaga standard Amerika di China ...
  • kehormatan
  • kehormatan

Arahan & Berita