legines.com
202 Penyambung Lelaki Fittings Terbalik

202 Penyambung Lelaki Fittings Terbalik

Ciri Produk:
■■ Semua pembinaan tembaga
■■ UL disenaraikan untuk cecair dan gas mudah terbakar
■■ Memenuhi keperluan fungsi SAE J512
■■ Kacang keluli untuk ekonomi

Pasaran: Aplikasi:
■■ Penghawa dingin ■■ Garis penyejuk
■■ Marin ■■ Garis brek
■■ Mudah alih ■■ Garis bahan api
■■ Enjin

Tiub yang serasi:
■■ Tembaga
■■ Tembaga
■■ Aluminium
■■ Tiub hidraulik keluli dikimpal

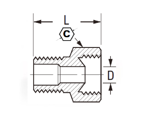
Bahagian Rujukan Tidak:
2200 -48IFHD -202 -48W -200

Hubungi kami

Spesifikasi

Bahagian#

Tiub o.d × thread

C

D

L.

202-2a

1/8 × 1/8 13/32 .078 .62

202-3a

3/16 × 1/8 15/32 .125 .70

202-4a

1/4 × 1/8 17/32 .188 .74

202-4b

1/4 × 1/4 9/16 .188 .89

202-5a

5/16 × 1/8 19/32 .219 .79

202-5b

5/16 × 1/4 19/32 .220 .98

202-6a

3/8 × 1/8 3/4 ..281 .89

202-6b

3/8 × 1/4 3/4 .281 1.03

202-6c

3/8 × 3/8 3/4 .281 1.01

202-8b

1/2 × 1/4 29.32 .406 1.08

202-8c

1/2 × 3/8 29/32 .406 1.07

202-8d

1/2 × 1/2 29/32 .406 1.26

202-10d

5/8 × 1/2 1-1/16 .531 1.32

202-12E

3/4 × 3/4 1-1/4 .625 1.39

*Ref.sae No.040102 BA

Kelengkapan suar terbalik boleh digunakan dalam banyak aplikasi. Kelengkapan ini dibina dari tembaga, yang memastikan ketahanan dan ketahanan kakisan. Meterai O-ring bersepadu digunakan untuk memastikan prestasi bebas kebocoran. Pemasangan SAE juga memenuhi keperluan SAE J512 untuk sistem bertekanan.
Kami menawarkan banyak pilihan kelengkapan suar termasuk Rosebud super tugas, perindustrian dan standard. Kelengkapan suar terbalik kami dibuat dari tembaga 100%, menjadikannya sesuai untuk semua aplikasi perindustrian.
Kelengkapan suar terbalik digunakan untuk menyambungkan hos dan tiub ke injap atau peranti lain. Mereka terdiri daripada kacang pengapit, pemasangan tiub dan cincin mengunci. Kacang pengapit mengetatkan ke tiub dan memegang tiub dengan selamat di tempat dan cincin mengunci menghalang tiub daripada ditarik semasa servis. Daya pengetatan cukup besar sehingga kelengkapan ini dapat digunakan tanpa pita ptfe tetapi anda masih harus melincirkan benang sebelum perhimpunan.

Hubungi kami

Mengenai Legin

Legines Industrial Machinery Inc.

Sebagai pengeluar kelengkapan tembaga China profesional dan menolak pembekal kelengkapan. Ia mengamalkan pemesinan CNC penuh dan memiliki kawasan bengkel 3600 meter persegi. 45 Alat Mesin Automatik, 35 Alat Mesin CNC Separa Automatik, serta Pengedar, yang telah menjadi pembekal penting untuk pengeluaran bahagian tembaga standard Amerika di China ...
  • kehormatan
  • kehormatan

Arahan & Berita