legines.com
3500# kelengkapan tembaga 90 darjah kelengkapan paip siku

3500# kelengkapan tembaga 90 darjah kelengkapan paip siku

Ciri Produk: Pasaran:
■■ Semua pembinaan tembaga ■■ Perindustrian
■■ Memenuhi keperluan fungsional ■■ Pembinaan
SAE J530 dan SAE J531 ■■ Trak tugas berat
■■ Benang yang dibuat untuk standard dryseal ■■ Mudah alih
■■ Kedua -dua pemalsuan dan extrusion ada ■■ Automasi Kilang/Proses

Aplikasi: tiub yang serasi:
■■ Garisan udara ■■ Tembaga
■■ Garis air ■■ Tembaga
■■ Garis penyejukan ■■ Paip besi

Spesifikasi:
Tekanan sehingga 1000 psi
Julat suhu -65˚ hingga 250˚F

Permohonan biasa:
Gris, bahan api, LP dan gas asli, refrigertion.instrumentation dan sistem hidraulik

Kesesuaian:
Memenuhi spesifikasi dan piawaian ASA, ASME dan SAE.

Bahagian Rujukan Tidak:
2200p -3500 -302 -200 -28001 hingga 28005 -100

Hubungi kami

Spesifikasi

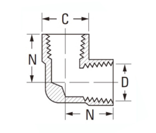
Bahagian# Saiz Thread C D N N
3500-A 1/8 × 1/8 9/16 .219 .66 .47
3500-B 1/4 × 1/4 11/16 .315 .91 .72
3500-C 3/8 × 3/8 13/16 .438 .97 .78
3500-D 1/2 × 1/2 1 " .562 1.25 1.03
3500-e 3/4 × 3/4 1 "-1/4 .750 1.38 1.12

Ref.Sae No.130238

Dibuat dari tembaga, siku 90 darjah kami dihasilkan untuk memenuhi keperluan aplikasi perindustrian dan pembinaan. Tembaga palsu lebih tahan lama, lebih keras dan kurang cenderung untuk membengkokkan daripada produk yang diekstrusi. Kelengkapan gangsa kami juga mempunyai ketahanan yang lebih baik terhadap kejutan dan getaran. Kami menawarkan kelengkapan paip yang dipalsukan dan tersemperit untuk projek -projek dalam semua aplikasi industri, termasuk saluran udara, saluran air, saluran penyejukan dan banyak lagi. Kelengkapan tembaga dihasilkan dengan piawaian kualiti tertinggi. Dari proses penempaan untuk menamatkan dan menamatkan penamat, setiap peringkat diperiksa dengan alat ketepatan. Kelengkapan ini memenuhi keperluan fungsi SAE J530 dan SAE J531, sementara bersesuaian dengan SAE Standard SAE J514 dan ASME B16.21.Our 90 darjah siku dihasilkan dari tembaga berkualiti tinggi, menyediakan struktur yang kuat dan tahan lama. Kami menawarkan pilihan pemasangan kilang dan trak dengan dua konfigurasi barb yang berbeza untuk menampung saiz tiub yang besar. Sama ada anda sedang mencari pengganti atau ingin menaik taraf sistem anda, crouse-hinds dapat membantu.

Hubungi kami

Mengenai Legin

Legines Industrial Machinery Inc.

Sebagai pengeluar kelengkapan tembaga China profesional dan menolak pembekal kelengkapan. Ia mengamalkan pemesinan CNC penuh dan memiliki kawasan bengkel 3600 meter persegi. 45 Alat Mesin Automatik, 35 Alat Mesin CNC Separa Automatik, serta Pengedar, yang telah menjadi pembekal penting untuk pengeluaran bahagian tembaga standard Amerika di China ...
  • kehormatan
  • kehormatan

Arahan & Berita