legines.com
1565 Tolak dalam Siku Kelengkapan Sambungan

1565 Tolak dalam Siku Kelengkapan Sambungan

Ciri Produk:
■■ Collet tembaga
■■ Buna n o-ring
■■ Sokongan tiub keluli tahan karat
■■ Bertemu D.O.T. FMVSS571.106
■■ Bertemu SAE J2494 & SAE J2494-3

Pasaran:
■■ Trak tugas berat
■■ Treler
■■ Mudah alih

Aplikasi:
■■ Brek udara
■■ Tangki udara
■■ Menaiki udara
■■ Slider
■■ Inflasi tayar
■■ Garis utama & SecondaryAir

Tiub yang serasi:
■■ SAE J844 Jenis A & B Nylon Tubing

Bahagian Rujukan Tidak:
AQ65DOT -165PMT -1865 -DQ65DOT -1565 -dot

Hubungi kami

Spesifikasi

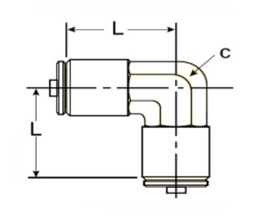
Bahagian# Tube O.D. C L.
1565-dot-4 1/4 3/8 .92
1565-dot-6 3/8 1/2 .96
1565-dot-8 1/2 5/8 1.16
1565-dot-10 5/8 11/16 1.19
1565-dot-12 3/4 15/16 1.40

Tolak pemasangan untuk tiub SAE J844 Type A, B, C dan D nilon. Digunakan dengan Buna O-ring dan tiub keluli tahan karat untuk membolehkan pemasangan hos yang selamat seperti brek udara, garisan stereng kuasa dan banyak lagi. Pemasangan ini dihasilkan dengan bahan berkualiti tinggi untuk memastikan fungsi yang betul dan jangka hayat yang panjang.1565 Tolak dalam Siku Sambung Sambungan adalah pemasangan yang digunakan dengan tiub getah. Ia mempunyai collet tembaga. Pemasangan ini dihasilkan oleh TUSA P/N: 1565-dot.Pneumatic Connect Fittings digunakan bersempena dengan tiub untuk membuat perhimpunan bebas, tetap atau sementara yang menggunakan komponen pneumatik standard.

Hubungi kami

Mengenai Legin

Legines Industrial Machinery Inc.

Sebagai pengeluar kelengkapan tembaga China profesional dan menolak pembekal kelengkapan. Ia mengamalkan pemesinan CNC penuh dan memiliki kawasan bengkel 3600 meter persegi. 45 Alat Mesin Automatik, 35 Alat Mesin CNC Separa Automatik, serta Pengedar, yang telah menjadi pembekal penting untuk pengeluaran bahagian tembaga standard Amerika di China ...
  • kehormatan
  • kehormatan

Arahan & Berita