legines.com
72# Tembaga Lelaki Run Tee Mampatan Kelengkapan

72# Tembaga Lelaki Run Tee Mampatan Kelengkapan

Kelengkapan Mampatan Tee Lelaki Telefon Lelaki 71

Aplikasi: Pasaran:
■■ Garisan udara ■■ Perindustrian
■■ Garis pelinciran ■■ Pembungkusan
■■ Garis penyejukan ■■ Pneumatik
■■ Industri ■■ Percetakan
■■ Jentera
■■ Pemampat
■■ Pemindahan cecair

Ciri Produk:
■■ Memenuhi keperluan fungsi SAE J-512
■■ UL disenaraikan untuk cecair mudah terbakar
■■ Lengan tembaga atau asetal ada
■■ Tiada penyediaan tiub
■■ Bentuk palsu dan tersemperit

71 -171c -71a -S71

Hubungi kami

Spesifikasi

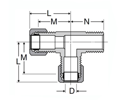
Bahagian#

Tiub o.d × lelaki nptf

M

N

D

71-3a

3/16 × 1/8

.63

.69

.125

71-4a

1/4 × 1/8

.63

.75

.188

71-4b

1/4 × 1/4

.69

.88

.188

71-5a

5/16 × 1/8

.72

.75

.250

71-5b

5/16 × 1/4

.75

.88

.250

71-6a

3/8 × 1/8

.75

.75

.312

71-6b

3/8 × 1/4

.79

.87

.312

71-6c

3/8 × 3/8

.88

1.00

.330

71-8c

1/2 × 3/8

.94

1.09

.406

71-8d

1/2 × 1/2

.97

1.19

.406

71-10d

5/8 × 1/2

1.06

1.31

.500

Kelengkapan pemampatan Tee Mampatan 72# Brass Male kami memenuhi keperluan fungsi SAE J-512 dan disenaraikan UL untuk cecair mudah terbakar. Kelengkapan ini tidak mempunyai penyediaan tiub, dan bentuk palsu dan tersemperit. Mereka boleh didapati dalam pelbagai bahan termasuk tembaga, plastik dan lengan logam. Ia mempunyai lengan tembaga atau asetal dan boleh digunakan dalam pelbagai aplikasi seperti bawah, transmisi dan sistem bahan bakar. Tiada penyediaan tiub diperlukan.

Hubungi kami

Mengenai Legin

Legines Industrial Machinery Inc.

Sebagai pengeluar kelengkapan tembaga China profesional dan menolak pembekal kelengkapan. Ia mengamalkan pemesinan CNC penuh dan memiliki kawasan bengkel 3600 meter persegi. 45 Alat Mesin Automatik, 35 Alat Mesin CNC Separa Automatik, serta Pengedar, yang telah menjadi pembekal penting untuk pengeluaran bahagian tembaga standard Amerika di China ...
  • kehormatan
  • kehormatan

Arahan & Berita