legines.com
39# SAE 45 ° Flare Brass Fittings Flare Plug

39# SAE 45 ° Flare Brass Fittings Flare Plug

Ciri Produk:
■■ Semua pembinaan tembaga
■■ Menahan getaran dengan penggunaan kacang panjang
■■ Penyenaraian UL
■■ Keperluan Fungsian SAE J512 dan J513


Pasaran: Aplikasi:
■■ Penyejukan ■■ Garis penyejuk
■■ Trak tugas berat ■■ Propana
■■ Mudah alih ■■ Bahan api
■■ Perindustrian ■■ Penyesuai
■■ Pemanasan ■■ Gas asli
■■ Penghawa dingin

Bahagian Rujukan Tidak:
58 -57 -439 -639f -P2 -PF -2229 -10063 ~ 10069

Hubungi kami

Spesifikasi

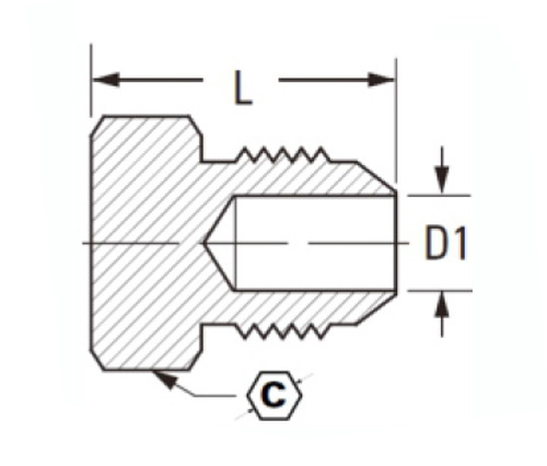
Bahagian# Tube O.D. C D1 L.
39-2 1/8 7/16 .079 .47
39-3 3/16 1/2 .126 .58
39-4 1/4 9/16 .189 .69
39-5 5/16 5/8 .220 .79
39-6 3/8 3/4 .282 .88
39-8 1/2 7/8 .408 1.06
39-10 5/8 1-1/16 .502 1.19
39-12 3/4 1-5/16 .627 1.30

*Ref.sae No.010109

Pemasangan tembaga SAE 45 ° ini sesuai untuk penyejukan, penghawa dingin dan garis propana. Ia mempunyai kacang panjang untuk rintangan getaran dan serasi dengan piawaian SAE J512 dan J513. Pemasangan ini diperbuat daripada tembaga berkualiti tinggi dan dihasilkan untuk standard yang tepat untuk memastikan prestasi unggul.

Hubungi kami

Mengenai Legin

Legines Industrial Machinery Inc.

Sebagai pengeluar kelengkapan tembaga China profesional dan menolak pembekal kelengkapan. Ia mengamalkan pemesinan CNC penuh dan memiliki kawasan bengkel 3600 meter persegi. 45 Alat Mesin Automatik, 35 Alat Mesin CNC Separa Automatik, serta Pengedar, yang telah menjadi pembekal penting untuk pengeluaran bahagian tembaga standard Amerika di China ...
  • kehormatan
  • kehormatan

Arahan & Berita